欢迎来到苏州佳士佰工业设备有限公司官网!
0512-69351655
网站首页
关于我们
公司简介
企业文化
公司理念
产品中心
美国固瑞克/GRACO 高纯泵
台湾不锈钢磁力泵
IWAKI磁力泵
国产衬氟/PP磁力泵
风囊泵
316L大流量泵浦
316L高温型泵浦
储能泵
品牌案例
品牌案例
资讯动态
公司新闻
产品知识
售后服务
联系我们
产品热门搜索:
美国固瑞克/GRACO 高纯泵)
台湾不锈钢磁力泵)
IWAKI磁力泵)
国产衬氟/PP磁力泵)
产品目录
Product Center
产品中心
美国固瑞克/GRACO 高纯泵
台湾不锈钢磁力泵
IWAKI磁力泵
国产衬氟/PP磁力泵
风囊泵
316L大流量泵浦
316L高温型泵浦
储能泵
查看更多
7X24服务热线
159-5000-1458
134-5174-8908
产品中心
首页 - 产品中心
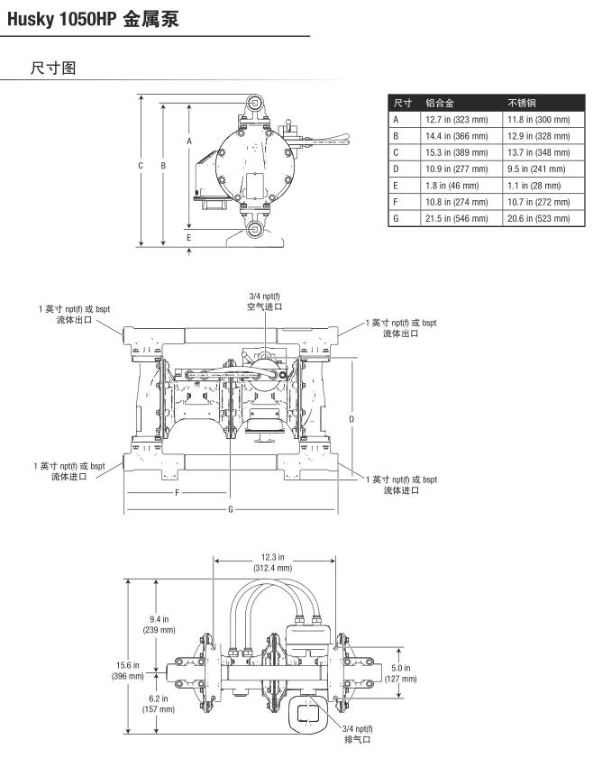
Husky 1050HP 金属泵
电话
微信
产品
首页
15950001458
13451748908
取消
微信客服
添加微信好友,详细了解产品业务。
X
电话
咨询热线:
15950001458
13451748908
QQ
在线沟通:
0000
微信
扫一扫关注